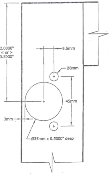
Standard hinge boring – fits most blum hinges. Please specify option A or B when ordering.
| Option A | Option B |
|
|
| Qty of hinges | Door Height | Hinge Placement |
|---|---|---|
| 2 | 6.3750″ to 11.9375″ | 2.00″ from edge of door |
| 2 | 12.0000″ to 45.9375″ | 3.50″ from edge of door |
| 3 | 46.0000″ to 65.9375″ | 3.50″ from edge of door, centered mid hinge |
| 4 | 66.0000″ to 96.0000″ | 3.50″ from edge of door, equally spaced mid hinge |